Do not display this message again
Close window
Examples - Worst-Case Circuit Analysis – Maple Flow
Contact Maplesoft
Request Quote
Products
Maple
Powerful math software that is easy to use
• Maple for Academics
• Maple for Students
• Maple Learn
• Maple Calculator App
• Maple for Industry and Government
• Maple for Individuals
Maple Add-Ons
• E-Books & Study Guides for Students
• Maple Toolboxes
• MapleNet
• Free Maple Player
Math Success Platform
Improving Retention Rates
Maple Flow
Engineering calculations & documentation
• Maple Flow
• Maple Flow Migration Assistant
MapleSim
Advanced System Level Modeling
• MapleSim
• MapleSim for Web Converting Systems
• MapleSim for Digital Twins
• MapleSim for Education
• Add-on Libraries and Connectors
• MapleSim Insight
Consulting Services
• Engineering Services
• Training
• Turnkey Solutions
Maple T.A. and Möbius
Looking for Maple T.A. or Möbius?
DigitalEd, a Maplesoft technology partner, now offers these products. Learn more.
Solutions
Education
• Mathematics Education
• Engineering Education
• High Schools & Two-Year Colleges
• Students
• Remote Learning Resources
Industries
Automotive and Aerospace
• Electric & Hybrid-Electric Vehicles
• Powertrain
• Vehicle Dynamics
• Heavy Mobile Machinery
• Aircraft Systems
• Space Systems
Robotics
• Robotics Research
• Motion Control/Mechatronics
Machine Design & Industrial Automation
• Machine Design
• Manufacturing
• Mining & Oil Production Equipment
• Web Handling
Other
• Power Industries
• Finance
• Medical Devices
• Life Sciences
Application Areas
• Power Systems Engineering
• Electrical Engineering Calculations
• Mechanical Engineering Calculations
• System Simulation & Analysis
• Virtual Commissioning
• Battery Modeling and Design
• Heat Transfer Modeling
• Dynamic Analysis of Mechanisms
• Calculation Management
• Model development for HIL
• Vibration Analysis & Attenuation
Purchase
Product Pricing
• Maple
• Maple Flow
• MapleSim
• Add-Ons and Connectors
• Request a Quote
Purchasing
• Purchase & Download Immediately
• Upgrade to the Latest Version
• Contact Sales
Institutional Student Licensing
• Virtualization
• Student Licensing & Distribution Options
Maplesoft Elite Maintenance (EMP)
• EMP Overview
• EMP FAQ
Support & Resources
Support
• Tech Support & Customer Service
• Frequently Asked Questions
• Product Documentation
• Download Product Updates
Product Training
• Student Help Center
• Online Product Training
• On-Site Training
Online Product Help
• Maple Online Help
• MapleSim Online Help
Webinars & Events
• Live Webinars
• Recorded Webinars
• Upcoming Events
Publications
• Technical Whitepapers
• E-Mail Newsletters
• Maple Books
• Math Matters
Content Hubs
• Teacher Resource Center
• Student Help Center
• Remote Learning Resources
Examples & Applications
• Maple Application Center
• MapleSim Model Gallery
• User Case Studies
• Exploring Engineering Fundamentals
• Teaching Concepts with Maple
Community
• MaplePrimes
• MapleCloud
• Maple Conference
Company
About Maplesoft
• Company Overview
• Management
• Customers
• Partnerships and OEM Opportunities
Media Center
• Media Releases
• User Case Studies
• Media Coverage
User Community
• MaplePrimes
• Maple Ambassador Program
• Maple Conference
Contact
• Global Contact Details
• Careers
Home
Products
Maple
Maple Add-Ons
Maple Learn
Maple Calculator App
Maple Flow
MapleSim
MapleSim Add-Ons
Consulting Services
Online Education Products
Solutions
Education
Industries
Application Areas
Purchase
Product Pricing
Purchasing
Institutional Student Licensing
Maplesoft Elite Maintenance (EMP)
Support & Resources
Support
Product Training
Online Product Help
Webinars & Events
Publications
Content Hubs
Examples & Applications
Community
Company
About Maplesoft
Media Center
User Community
Contact
Toggle navigation
ENGINEERING:
MapleSim
Digital Twins for Virtual Commissioning
System Simulation
Modelica Engine
MapleSim Connectors & Toolboxes
Digital Twins
Maple
Maple Flow
Maple for Engineers
Maple Toolboxes
MapleNet
Maple Flow
Services
Industries & App Areas
Why MapleSim?
What's New
Features
Add-ons
Model Gallery
Resources
Evaluate MapleSim
Request a Live Demo
Pricing
What is Maple?
Features
Online Demos
Compare
Training
Pricing
Evaluate
MapleMBSE
Cameo Systems Modeler / Teamwork Cloud
Capella
IBM Rational Rhapsody
Maple Connector for SysML
Contact us today!
Download a Free Trial of Maple Flow
See how Maple Flow helps you with Worst-Case Circuit Analysis. Try it free for 15 days.
Start your free trial
Worst-Case Circuit Analysis
– Maple Flow Examples
Discover how Electrical Engineers use Maple Flow and Maple for the tolerance analysis of electrical circuits
WCCA of a Voltage Divider
This application performs a full factorial WCCA of a voltage divider. The technique allows you to use either symmetric or asymmetric tolerances.
Download Application
Sensitivity Analysis of a Sallen-Key Low Pass Filter
This application performs a Worst-Case circuit analysis of a Sallen-Key Low Pass circuit.
Download Application
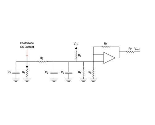
Extreme Value Analysis of a Photodiode
This application performs an extreme value analysis of a photodiode circuit. Light hits a photodiode and generates a current. A non-inverting op-amp then produces a linearly-proportional voltage from the photodiode current. Capacitors are ignored - hence this is a DC analysis.
Download Application
Worst-Case Circuit Analysis with Monte-Carlo Simulation
This application analyses the performance of a photodiode circuit using a Monte-Carlo approach.
Download Application
Three Pin Regulator Worst-Case Analysis
This application performs a Worst-Case analysis for a three-pin regulator circuit.
Two methods - extreme value analysis and sensitivity analysis - are employed.
Download Application
Sensor Interface Design with Worst-Case Analysis
In this application, the Worst-Case analysis for the temperature sensor interface circuit is performed. The circuit consists of a thin film Resistance Temperature Detector (RTD), op-amp and other passive devices in order to convert temperature to voltage and adjust voltage to the input voltage range of AD converter.
Download Volume 1
Download Volume 2
Broadband Pulse Transformer (Maple App)
This Maple application analyzes the worst-case behaviour of a broadband pulse transformer. Both the DC and AC behaviour is investigated.
Download Application
Optimization for Worst-Case Analysis (Maple App)
This Maple application analyzes the Worst-Case performance of a three-pin regulator.
This application needs the Global Optimization Toolbox to run.
Download Application
Have Questions? Would you like some additional information or a customized demonstration?
Contact Maplesoft