Civil Engineering – Maple Flow Examples
Structural Steel Design | Reinforced Concrete Design | Timber Design | Water Resources | Highway Design | Building Thermal Loads | Geotechnical Engineering
Structural Steel Design
Reinforced Concrete Design
Highway Design
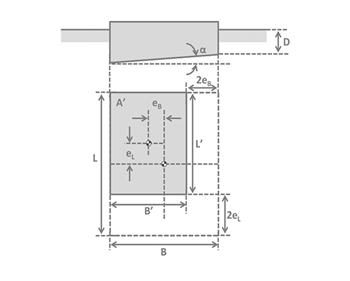
Geotechnical Engineering










