HBridge - MapleSim Help
For the best experience, we recommend viewing online help using Google Chrome or Mozilla Firefox.

Online Help

All Products    Maple    MapleSim


H Bridge

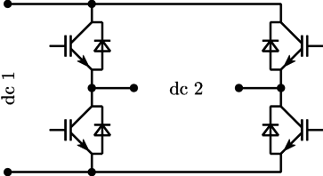
H bridge (four quadrant converter)

 

Description

Connections

Parameters

Modelica Standard Library

Description

The H Bridge (or Half Bridge) component is a four-quadrant DC/DC converter. It consists of two single-phase DC/AC converters which are independently controlled.

If the firing inputs firep and firen are inverses, the two legs are controlled symmetrically so that full positive or negative output voltage can be generated.

To see an example model that uses this component, search for HBridge in the MapleSim search bar on the main toolbar.

Connections

Name

Description

Modelica ID

heatPort

Conditional heat port

heatPort

enable

Boolean input; enable firep and firen inputs

enable

firep

Boolean input; firing signal of positive potential transistor

fire_p

firen

Boolean input; firing signal of negative potential transistor

fire_n

dcp1

Positive DC input

dc_p1

dcn1

Negative DC input

dc_n1

dcn2

Negative DC output

dc_n2

dcp2

Positive DC output

dc_p2

Parameters

General Parameters

Name

Default

Units

Description

Modelica ID

Rontran

1·10−5

Ω

Transistor closed resistance

RonTransistor

Gofftran

1·10−5

S

Transistor opened conductance

GoffTransistor

Vkneetran

0

V

Transistor threshold voltage

VkneeTransistor

Rondiode

1·10−5

Ω

Diode closed resistance

RonDiode

Goffdiode

1·10−5

S

Diode opened conductance

GoffDiode

Vkneediode

0

V

Diode threshold voltage

VkneeDiode

Use Heat Port

false

 

True (checked) means heat port is enabled

useHeatPort

Enable Parameters

Name

Default

Units

Description

Modelica ID

Use Constant Enable

true

 

True (checked) means disable Enable port.

useConstantEnable

Constant Enable

true

 

True (checked) means firing signals are always enabled.

constantEnable

Modelica Standard Library

The component described in this topic is from the Modelica Standard Library. To view the original documentation, which includes author and copyright information, click here.

See Also

DC AC

DC AC Control

Electrical Library

Power Converters