Ravigneaux Gear - MapleSim Help
For the best experience, we recommend viewing online help using Google Chrome or Mozilla Firefox.

Online Help

All Products    Maple    MapleSim


Ravigneaux Gear

Ravigneaux Gear component

 

   

 

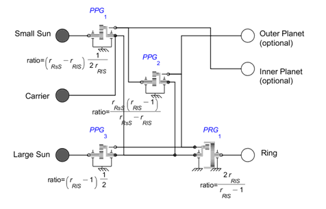
The Ravigneaux Gear component is a double planetary gear set with two sun gears (a small sun and a large sun), a carrier and a ring gear. The carrier carries two sets of independent planets; outer planets and inner planets which mesh with the large sun and the small sun, respectively. Each inner planet gear meshes with a corresponding outer planet gear. The gear ratios are uniquely defined by specifying the rear and front planetary gears Ring to Sun ratios.

This compound planetary gear set is constructed from four gear pairs; one Planet Ring gear, and three Planet Planet gears as shown in the diagram below.

 

Internal Structure

 

 

 

 

Internal Settings

Component

PPG1

PGG2

PGG3

PRG1

rR/sS , rR/lS

rO/I  = rR/sS   rR/lS2 rR/lS

rO/I  = rR/lS  1rR/sS   rR/lS

rO/I  = rR/lS  12

rR/P  = 2rR/lSrR/lS  1

ideal=true

ideal=true

ideal=true

ideal=true

ideal=true

ideal=false

same loss data=true

 

ηω, d

ideal=false

ηωI/C = ηω

 

d = d

ideal=false

ηωI/C = ηω

 

d = d

ideal=false

ηωI/C = ηω

 

d = 0

ideal=false

ηωR/C = ηω

 

d = 0

ideal=false

same loss data= false

ηiP/sSωsS/C,  ηoP/iPωiP/C

ηR/oPωR/C,  ηoP/lSωil/C

diP/C ,doP/C 

ideal=false

ηωI/C =  ηiP/sSωsS/C

 

d = diP/C  

ideal=false

ηωI/C =  ηoP/iPωiP/C

 

d = doP/C  

ideal=false

ηωI/C = ηoP/lSωlS/C

d = 0

ideal=false

ηωR/C =  ηR/oPωR/C

 

d = 0

 

 

Connections 

Name

Condition

Description

ID

Carrier C

Carrier flange

carrier

Ring (R)

Ring flange

ring

Small Sun sS

Sun flange

small_sun

Large Sun lS

Large flange

large_sun

Inner PlanetiP

planet port=true

Inner Planet flange

inner_planet

Outer PlanetoP

planet port=true

Outer Planet flange

outer_planet

Loss Power

ideal=false

Conditional real output port for power loss

lossPower

 

 

Parameters

Symbol

Condition

Default

Units

Description

ID

ideal

-

true

-

Defines whether the component is:

true - ideal or

false - non-ideal

ideal

data source

ideal=false

GUI

-

Defines the source for the loss data:

• 

entered via GUI [GUI]

• 

by an attachment [attachment]

• 

by an external file [file]

datasourcemode

same loss data

ideal=false

true

-

Defines whether one efficiency data table is used for all meshing loss calculations [same loss data=true] or the efficiency of each meshing gear pair is given by a separate data table [same loss data=false].

SameMeshingEfficiency

rR/sS

4

-

Ring/Small Sun Gear ratio

ratio1

rR/lS

2

Ring/Large Sun Gear ratio

ratio2

npl

ideal=false

1

Number of planet gear pairs

A planet pair consists of a set of inner planet and outer planet gears

numberofPlanets

ηω

ideal=false

 

same loss data = true 

 

data source = GUI

  0,1,1 

rads,,

Defines all velocity dependant meshing efficiencies.

The columns:

[ω     (η1 (ω )     η2 (ω )]

Five options are available:

• 

1 by 1 array:

Entered value is taken as the constant efficiency for forward and backward cases

η1 (ω ) = η2 (ω ) = η

• 

1 by 2 array:

First entered value is taken as the constant efficiency for forward case and the second for backward cases

η1 (ω) = η1 ,  η2 (ω ) = η2

• 

1 by 3 array:

First column is ignored and the second and third values are taken as constant efficiencies for forward and backward cases, respectively

• 

 n by 2 array:

Second column is forward and backward efficiency

η (ω) = η1 (ω ) = η2(ω )

• 

n by 3 array:

Second column is forward efficiency

η1 (ω)

Third column is backward efficiency

η2 (ω )

meshinglossTable5

ideal=false

 

same loss data = true 

 

data source = attachment

- 

 

 

 

 

 

 

 

Defines velocity dependant meshing efficiency table

First column is angular velocity (ω)

(See col η below)

data5

ideal=false

 

same loss data = true 

 

data source =  file 

-

fileName5

col η

ideal=false

 

same loss data = true

 

data source = attachment or file

 

  2,3

 

-

Defines the corresponding data columns used for forward efficiency (η1) and backward efficiency (η2 )

Two options are available:

• 

1 by 1 array:

Data column corresponding to the column number is used for both forward and backward efficiency η=η1 = η2 

• 

1 by 2 array:

Data column corresponding to the first column number is used for forward efficiency ( η1)and data column corresponding to the second column number is used for backward efficiency ( η2)

columns5

ηiP/sSωsS/C

ideal=false

 

same loss data = false 

 

data source = GUI

  0,1,1 

rads,, 

Defines inner Planet/small Sun velocity dependant meshing efficiency as a function of ωsS/C .

The columns are:

[ωsS/C     η1ωsS/C     η2(ωsS/C )]

First column is angular velocity of the small sun gear w.r.t. the carrier (ωsS/C)

Five options are available:

• 

1 by 1 array:

Entered value is taken as the constant efficiency for forward and backward cases

η1(ωsS/C ) =  η2ωsS/C = η

• 

1 by 2 array:

First entered value is taken as the constant efficiency for forward case and the second for backward cases

η1(ωsS/C ) = η1 ,  η2(ωsS/C ) = η2

• 

1 by 3 array:

First column is ignored and the second and third values are taken as constant efficiencies for forward and backward cases, respectively

• 

 n by 2 array:

Second column is forward and backward efficiencies.

η (ωsS/C ) = η1 (ωsS/C ) = η2 (ωsS/C )

• 

n by 3 array:

Second column is forward efficiency

η1 (ωsS/C )

Third column is backward efficiency

η2 (ωsS/C )

meshinglossTable1

ideal=false

 

same loss data = false 

 

data source = file

 

- 

 

 

 

 

 

 

 

Defines the velocity dependent meshing efficiency

First column is angular velocity (ωsS/C )

(See col ηiP/sS below)

data1

ideal=false

 

same loss data = false 

 

data source = file

-

fileName1

col ηiP/sS

ideal=false

 

same loss data = false 

 

data source = attachment or file

  2,3

-

Defines the corresponding data columns used for forward efficiency (η1) and backward efficiency (η2)

Two options are available:

• 

1 by 1 array:

Data column corresponding to the column number is used for both forward and backward efficiency (η1=η2 = η) 

• 

1 by 2 array:

Data column corresponding to the first column number is used for forward efficiency (η1) and data column corresponding to the second column number is used for backward efficiency (η2)

columns1

ηoP/iPωiP/C

ideal=false

 

same loss data = false 

 

data source = GUI

  0,1,1 

rads,, 

Defines outer Planet/inner Planet velocity dependant meshing efficiency as a function of ωiP/C .

The columns are:

[ωiP/C     (η1(ωiP/C )     η2(ωiP/C )]

First column is angular velocity of the inner planet gear w.r.t. the carrier (ωiP/C)

Five options are available:

• 

1 by 1 array:

Entered value is taken as the constant efficiency for forward and backward cases

η1(ωiP/C ) = η2ωiP/C = η

• 

1 by 2 array:

First entered value is taken as the constant efficiency for forward case and the second for backward cases

η1(ωiP/C ) = η1 , η2(ωiP/C ) = η2

• 

1 by 3 array:

First column is ignored and the second and third values are taken as constant efficiencies for forward and backward cases, respectively

• 

 n by 2 array:

Second column is forward and backward efficiency

η (ωiP/C ) = η1 (ωiP/C ) = η2 (ωiP/C )

• 

n by 3 array:

Second column is forward efficiency

η1 (ωiP/C )

Third column is backward efficiency

η2 (ωiP/C )

meshinglossTable2

ideal=false

 

same loss data = false 

 

data source = attachment

- 

 

 

 

 

 

 

 

Defines the velocity dependent meshing efficiency

First column is angular velocity (ωiP/C )

(See col ηP1/S below)

data2

ideal=false

 

same loss data = false 

 

data source = file

-

fileName2

col ηoP/iP

ideal=false

 

same loss data = false 

 

data source = attachment or file

  2,3

-

Defines the corresponding data columns used for forward (η1) and backward (η2) efficiency

Two options are available:

• 

1 by 1 array:

Data column corresponding to the column number is used for both forward and backward efficiency (η1=η2 = η) 

• 

1 by 2 array:

Data column corresponding to the first column number is used for forward efficiency (η1) and data column corresponding to the second column number is used for backward efficiency (η2)

columns2

ηR/oPωR/C

ideal=false

 

same loss data = false 

 

data source = GUI

  0,1,1 

rads,, 

Defines Ring/outer Planet velocity dependant meshing efficiency as a function of  ωR/C .

The columns are:

[ωR/C     (η1(ωR/C )     η2(ωR/C )]

First column is angular velocity of the ring gear w.r.t. the carrier (ωR/C)

Five options are available:

• 

1 by 1 array:

Entered value is taken as the constant efficiency for forward and backward cases

η1(ωR/C ) = η2ωR/C = η

• 

1 by 2 array:

First entered value is taken as the constant efficiency for forward case and the second for backward cases

η1(ωR/C ) = η1 , η2(ωR/C ) = η2

• 

1 by 3 array:

First column is ignored and the second and third values are taken as constant efficiencies for forward and backward cases, respectively

• 

 n by 2 array:

Second column is forward and backward efficiency

η (ωR/C ) = η1 (ωR/C ) = η2 (ωR/C )

• 

n by 3 array:

Second column is forward efficiency

η1 (ωR/C )

Third column is forward efficiency

η2 (ωR/C )

meshinglossTable3

ideal=false

 

same loss data = false 

 

data source = attachment

 

- 

 

 

 

 

 

 

 

Defines the velocity dependent meshing efficiency

First column is angular velocity (ωR/C )

(See col ηR/oP below)

data3

ideal=false

 

same loss data = false 

 

data source = file

-

fileName3

col ηR/oP

ideal=false

 

same loss data = false 

 

data source = attachment or file

  2,3

-

Defines the corresponding data columns used for forward (η1) and backward (η2) efficiency

Two options are available:

• 

1 by 1 array:

Data column corresponding to the column number is used for both forward and backward efficiency (η1=η2 = η) 

• 

1 by 2 array:

Data column corresponding to the first column number is used for forward efficiency (η1) and data column corresponding to the second column number is used for backward efficiency (η2)

columns3

ηoP/lSωlS/C

ideal=false

 

same loss data = false 

 

data source = GUI

  0,1,1 

[rads, , 

Defines outer Planet/large Sun velocity dependant meshing efficiency as a function of ωlS/C .

The columns are:

[ωlS/C     η1(ωlS/C )     η2(ωlS/C )]

First column is the angular velocity of the large sun gear w.r.t. the carrier (ωlS/C)

Five options are available:

• 

1 by 1 array:

Entered value is taken as the constant efficiency for forward and backward cases

η1(ωlS/C ) = η2ωlS/C = η

• 

1 by 2 array:

First entered value is taken as the constant efficiency  for forward case and the second for backward cases

η1(ωlS/C ) = η1 , η2(ωlS/C) = η2

• 

1 by 3 array:

First column is ignored and the second and third values are taken as constant efficiency for forward and backward cases, respectively

• 

 n by 2 array:

Second column is forward and backward efficiency

η(ωlS/C ) = η1 (ωlS/C ) = η2 (ωlS/C )

• 

n by 3 array:

Second column is forward efficiency

η1 (ωlS/C )

Third column is backward efficiency

η2 (ωlS/C )

meshinglossTable4

ideal=false

 

same loss data = false 

 

data source = attachment

 

 

 

 

 

- 

 

 

 

 

 

 

 

Defines the velocity dependent meshing efficiency

First column is angular velocity (ωlS/C )

(See col ηoP/lS below)

 

 

 

 

 

data4

ideal=false

 

same loss data = false 

 

data source = file

 

 

 

 

-

 

 

 

 

 

fileName4

col ηoP/lS

ideal=false

 

same loss data = false 

 

data source = attachment or file

  2,3

-

Defines the corresponding data columns used for forward (η1) and backward (η2) efficiency

Two options are available:

• 

1 by 1 array:

Data column corresponding to the column number is used for both forward and backward efficiency η=η1 = η2 

• 

1 by 2 array:

Data column corresponding to the first column number is used for forward efficiency (η1) and data column corresponding to the second column number is used for backward efficiency (η2)

columns4

diP/C

lideal=false

same loss data = false 

0

Nmrads

Linear damping in planet1/carrier bearings

d1

doP/C

ideal=false

same loss data = false 

0

Nmrads

Linear damping in planet2/carrier bearings

d2

d

ideal=false

same loss data = true 

0

Nmrads

Linear damping in planet/carrier bearing

d3

smoothness

ideal=false

Table points are linearly interpolated

-

Defines the smoothness of table interpolation

There are two options:

• 

Table points are linearly interpolated

• 

Table points are interpolated such that the first derivative is continuous

smoothness

 

See Also

Driveline Library Overview

MapleSim Library Overview

1-D Mechanical Overview

Gear Sets

Planetary Gear

Planet Planet Gear

Planet Ring Gear