Simpson Actuation 3 Speed - MapleSim Help
For the best experience, we recommend viewing online help using Google Chrome or Mozilla Firefox.

Online Help

All Products    Maple    MapleSim


Simpson Actuation (3-Speed)

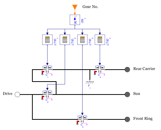
Clutch Arrangement for a 3-Speed Simpson Gearbox

 

 

The Simpson Actuation component is intended for use with a Simpson Gear Set (see Simpson Gear). The internal structure of this component is shown below. The combination of the clutches and the activation table, enables the user to easily create a 3-Speed Simpson Gearbox.

 

Internal Structure

 

 

Connections 

Name

Condition

Description

ID

drive

-

Drive shaft Flange

drive

rear carrier

-

Rear carrier flange (to be connected to rear carrier flange of a Simpson Gear)

rear_carrier

sun

-

Sun flange (to be connected to sun flange of a Simpson Gear)

sun

front ring

-

Front Ring flange (to be connected to front flange of a Simpson Gear)

front_ring

Gear Number N

-

Integer input for the gear number. 1N3 (-1: Reverse, 0: Neutral, 1,2,3: Forward)

GearNo

 

 

 

 

Parameters

Symbol

Condition

Default

Units

Description

ID

J

-

0.0001

kgm2

Added inertia to Clutch components.

J

clutch table

-

see below

A 5 by 5 clutch actuation table. first column is for the gear numbers (not used) ordered from -1 (reverse) to 3 (third gear). Zeroth gear designates neutral.

table

Clutch Parameters

See Clutch component for the description of the clutch parameters.

 

Clutch Table

Gear \ Clutch

C1

C2

C3

C4

1

0

1

0

1

0

0

0

0

0

1

0

0

1

1

2

1

0

1

0

3

0

1

1

0

 

 

 

See Also

Driveline Library Overview

MapleSim Library Overview

1-D Mechanical Overview

Clutch

Compound Gear Sets

Simpson Gear