Web Source - MapleSim Help
For the best experience, we recommend viewing online help using Google Chrome or Mozilla Firefox.

Online Help

All Products    Maple    MapleSim


Web Source

Web source component

 

Description

Usage

Connections

Parameters

Description

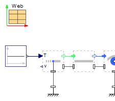
The Web Source component models an ideal web source.

Usage

The Web Source component must be at the start of a web line.

The mode parameter selects the inputs:

Speed and Tension inputs is the default, and enables inputs for each (V and T).

Only Tension input enables only the T input.  The web entry speed is determined by the web line and is provided as an output.

Speed and Tension

Tension

Note: frameb1 and framec are at the same location.

Connections

Name

Description

Modelica ID

T

Real input; set tension of web [N]

T

v

Real input; set velocity of web [m/s]

v

vout

Real output; velocity of web [m/s]; mode = Only Tension Input

v

frameb

Right web 3-D connection point

frame_b

framec

Base frame; enabled when Use fixed base=false

frame_c

webb

Exit web transfer information port

web_b

Parameters

Name

Default

Units

Description

Modelica ID

mode

Speed and Tension inputs

 

Select inputs; can be Speed and Tension inputs or Only Tension input

mode

Velocity unit input

ms

 

Select units of velocity

toUnitV

Tension unit input

N

 

Select units of tension

toUnitF

Use fixed base

false

 

When checked (true), frame_c is disabled, the frame is fixed in the inertial coordinate frame, and a position parameter is enabled

useFixedBase

r

0,0

m

Location of frame_b with respect to ground. Available when Use fixed base = true

InitPos

θ

0

deg

Rotation about z-axis. Available when Use fixed base = true

InitAng

See Also

Sources and Sinks

Web Handling Library