Lepelletier Actuation 6 Speed - MapleSim Help
For the best experience, we recommend viewing online help using Google Chrome or Mozilla Firefox.

Online Help

All Products    Maple    MapleSim


Lepelletier Actuation (6-Speed)

Clutch Arrangement for a 6-Speed Lepelletier Gearbox           

 

 

 

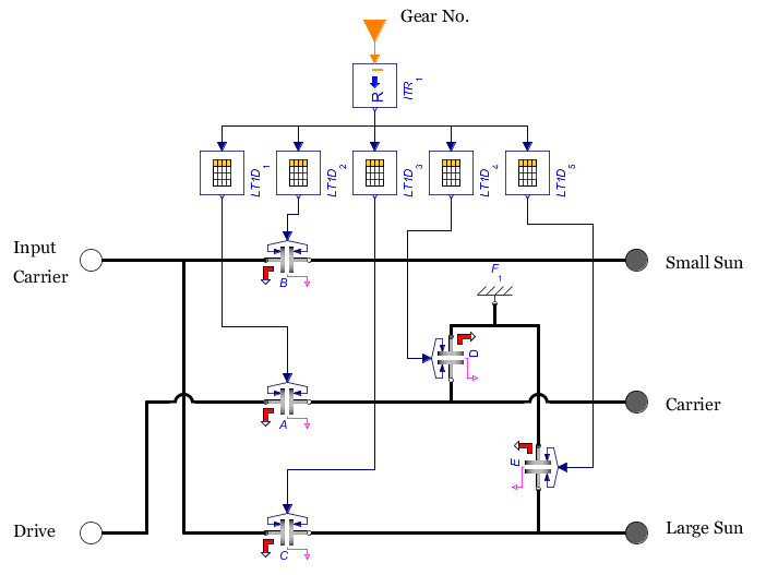
The Lepelletier 6-Speed Actuation component is intended for use with a Ravigneaux Gear and a Planetary Gear (see Ravigneaux Gear and Planetary Gear). The internal structure of this component is shown below. The combination of the clutches and the activation table, enables the user to easily create a 6-Speed Lepelletier Gearbox.

 

Internal Structure

 

Connections 

Name

Condition

Description

ID

drive

-

Drive shaft Flange (to be connected to ring flange of a Planetary Gear - See below)

drive

input carrier

-

input carrier shaft Flange (to be connected to carrier flange of a Planetary Gear - See below)

small sun

-

Small Sun flange (to be connected to small sun flange of a Ravigneaux Gear)

small_sun

carrier

-

Carrier flange (to be connected to carrier flange of a Ravigneaux Gear)

sun

large sun

-

Large sun flange (to be connected to large sun flange of a Ravigneaux Gear)

large_sun

Gear Number N

-

Integer input for the gear number. 1N6 (-1: Reverse, 0: Neutral, 1,2,3,4,5,6: Forward)

GearNo

 

 

 

 

Parameters

Symbol

Condition

Default

Units

Description

ID

J

-

0.0001

kgm2

Added inertia to Clutch components.

J

clutch table

-

see below

A 8 by 6 clutch actuation table. first column is for the gear numbers (not used) ordered from -1 (reverse) to 6 (sixth gear). Zeroth gear designates neutral.

table

Clutch Parameters

See Clutch component for the description of the clutch parameters.

 

Clutch Table

Gear \ Clutch

A

B

C

D

E

1

0

0

1

1

0

0

0

0

0

0

0

1

0

1

0

1

0

2

0

1

0

0

1

3

0

1

1

0

0

4

1

1

0

0

0

5

1

0

1

0

0

6

1

0

0

0

1

 

6-Speed Lepelletier Gearbox

The figure below shows how to create a 6-Speed Lepelletier gearbox using a Planetary Gear, a Ravigneaux Gear, and a Lapelletier 6-Speed Actuation component.

 

 

See Also

Driveline Library Overview

MapleSim Library Overview

1-D Mechanical Overview

Compound Gear Sets

Clutch

Planetary Gear

Ravigneaux Gear