Diode Center Tap 2 m Pulse - MapleSim Help
For the best experience, we recommend viewing online help using Google Chrome or Mozilla Firefox.

Online Help

All Products    Maple    MapleSim


Diode CenterTap 2m-Pulse

2m pulse diode rectifier with center tap

 

Description

Connections

Parameters

Modelica Standard Library

Description

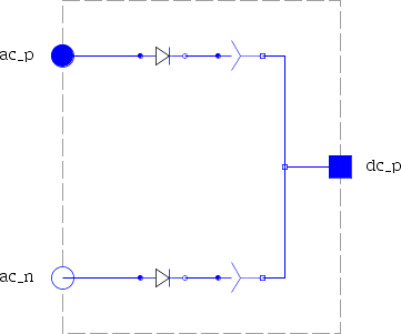
The Diode CenterTap 2m Pulse component consists of two m-phase arrays of ideal diodes with cathodes connected to a common output, dcp.

To see an example model that uses this component, search for DiodeCenterTap2mPulse in the MapleSim search bar on the main toolbar.

Connections

Name

Description

Modelica ID

acp

m-phase positive potential AC input

ac_p

acn

m-phase negative potential AC input

ac_n

dcp

Positive DC output

dc_p

heatPort

Conditional heat port

heatPort

Parameters

General Parameters

Name

Default

Units

Description

Modelica ID

m

3

 

Number of phases

m

Rondiode

1·10−5

Ω

Closed diode resistance

RonDiode

Goffdiode

1·10−5

S

Opened diode conductance

GoffDiode

Vkneediode

0

V

Diode forward threshold voltage

VkneeDiode

Use Heat Port

false

 

True (checked) means heat port is enabled

useHeatPort

Modelica Standard Library

The component described in this topic is from the Modelica Standard Library. To view the original documentation, which includes author and copyright information, click here.

See Also

AC DC

AC DC Polyphase Rectifiers

Electrical Library

Power Converters