Air Flow Resistance - MapleSim Help
For the best experience, we recommend viewing online help using Google Chrome or Mozilla Firefox.

Online Help

All Products    Maple    MapleSim


Air Flow Resistance

Flow resistance, based on Handbook of Hydraulic Resistance, I.E. Idelchik [1]

  

 

Description

Equations

Variables

Connections

Parameters

See Also

Description

The Air Flow Resistance component models a flow resistance which is caused by bending of flow for the lumped thermal fluid simulation of Air. This component calculates mainly pressure difference, mass flow rate, and heat flow rate.

Equations

The calculation is changed based on parameter values of Type of Resistance and Dynamics of mass in the Air Settings component.

The definition of Inner hydraulic diameter and Flow area and Geometrical coefficient for laminar flow, and the heat transfer coefficient calculation are explained in the following:

 

Reynolds number for Friction factor calculation is defined with:

Re__target=max{ρ__adp0ρ__bothersvD__h_act{μ__adp0μ__bothers,0.1

ⅆReⅆt=Re__targetReT__const

Type of Resistance = General

Inner hydraulic diameter is defined with:

D__h_act=D__h

Flow area is defined with:

A__act=A__cir

Geometrical coefficient for laminar flow is defined with:

Geo__act=1

Geometrical length for Bend to get the values from tables:

D0__Bend=0

Total loss coefficient:

zeta__act=zeta__inUse ζ as input=truezetaothers

 

Type of Resistance = Elbow with sharp corner (Circular) : 0<&theta;<&pi;&comma; LD__h10

(*) Reference[1] : page.365-366.

 

Inner hydraulic diameter is defined with:

D__h_act&equals;D__h

Flow area is defined with:

A__act&equals;A__cir

Geometrical coefficient for laminar flow is defined with:

Geo__act&equals;1

Geometrical length for Bend to get the values from tables:

D0__Bend&equals;D__h

Local resistance is defined with:

zeta__loc&equals;A__loc_ElbowC__locmax108&comma;0.95sin&theta;22&plus;2.05sin&theta;24

Correction factor C is defined with:

C__loc&equals;1

Correction factor A is defined with:

A__loc_Elbow&equals;&grave;MapleSim.Interpolate1D`data&comma;&theta;

(*) `MapleSim.Interpolate1D` is the function of Lookup table of 1D.

(*) data is specified with:

     - If data_source = inline, parameter table__A_Elbow.

     - If data_source = attachment, an attached file (.csv and .xls, .xlsx) is used.

     - If data_source = file, need to specify the path of file (.csv and .xls, .xlsx).

 

Friction resistance is defined with:

zeta__fri&equals;k__&delta;k__Rezeta__loc

Correction factor k_delta (Roughness dependency) is defined with:

k__&delta;&equals;min1.5&comma;max1.0&comma;1.0&plus;500roughnessD__h_act

Correction factor k_Re (Reynolds number dependency) is defined with:

k__Re&equals;&grave;MapleSim.Interpolate1D`data&comma;Re

(*) `MapleSim.Interpolate1D` is the function of Lookup table of 1D.

(*) data is specified with:

     - If data_source = inline, parameter table__k_Re_Elbow.

     - If data_source = attachment, an attached file (.csv and .xls, .xlsx) is used.

     - If data_source = file, need to specify the path of file (.csv and .xls, .xlsx).

 

Total resistance is defined with:

zeta__act&equals;zeta__fri

 

 

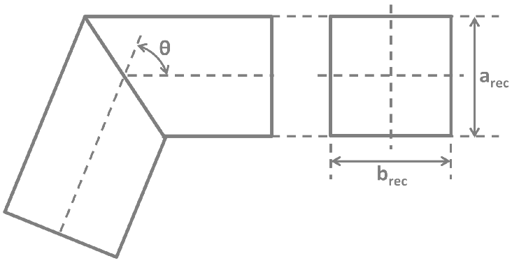
Type of Resistance = Elbow with sharp corner (Rectangular): 0<&theta;<&pi;&comma; LD__h10

(*) Reference: page.365-366 in [1].

 

Inner hydraulic diameter is defined with:

D__h_act&equals;21a__rec&plus;1b__rec

Flow area is defined with:

A__act&equals;A__rec

Geometrical coefficient for laminar flow is defined with:

Geo__act&equals;MapleSim.Interpolate1D`data&comma;b__reca__rec

(*) `MapleSim.Interpolate1D` is the function of Lookup table of 1D.

(*) data is specified with:

     - If data_source = inline, parameter table__geo_rec.

     - If data_source = attachment, an attached file (.csv and .xls, .xlsx) is used.

     - If data_source = file, need to specify the path of file (.csv and .xls, .xlsx).

 

Geometrical length for Bend to get the values from tables:

D0__Bend&equals;a__rec

Local resistance is defined with:

zeta__loc&equals;A__loc_ElbowC__locmax108&comma;0.95sin&theta;22&plus;2.05sin&theta;24

Correction factor C is defined with:

C__loc&equals;&grave;MapleSim.Interpolate1D`data&comma;b__reca__rec

(*) `MapleSim.Interpolate1D` is the function of Lookup table of 1D.

(*) data is specified with:

     - If data_source = inline, parameter table__C_Elbow.

     - If data_source = attachment, an attached file (.csv and .xls, .xlsx) is used.

     - If data_source = file, need to specify the path of file (.csv and .xls, .xlsx).

 

Correction factor A is defined with:

A__loc_Elbow&equals;&grave;MapleSim.Interpolate1D`data&comma;&theta;

(*) `MapleSim.Interpolate1D` is the function of Lookup table of 1D.

(*) data is specified with:

     - If data_source = inline, parameter table__A_Elbow.

     - If data_source = attachment, an attached file (.csv and .xls, .xlsx) is used.

     - If data_source = file, need to specify the path of file (.csv and .xls, .xlsx).

 

Friction resistance is defined with:

zeta__fri&equals;k__&delta;k__Rezeta__loc

Correction factor k_delta (Roughness dependency) is defined with:

k__&delta;&equals;min1.5&comma;max1.0&comma;1.0&plus;500roughnessD__h_act

Correction factor k_Re (Reynolds number dependency) is defined with:

k__Re&equals;&grave;MapleSim.Interpolate1D`data&comma;Re

(*) `MapleSim.Interpolate1D` is the function of Lookup table of 1D.

(*) data is specified with:

     - If data_source = inline, parameter table__k_Re_Elbow.

     - If data_source = attachment, an attached file (.csv and .xls, .xlsx) is used.

     - If data_source = file, need to specify the path of file (.csv and .xls, .xlsx).

 

Total resistance is defined with:

zeta__act&equals;zeta__fri

 

Type of Resistance = Bend (Circular) : R0D__h<3.0&comma; 0<&theta;<&pi;&comma; LD__h10

The following diagram shows...

(*) Reference[1] : page.357-339.

 

Inner hydraulic diameter is defined with:

D__h_act&equals;D__h

Flow area is defined with:

A__act&equals;A__cir

Geometrical coefficient for laminar flow is defined with:

Geo__act&equals;1

Geometrical length for Bend to get the values from tables:

D0__Bend&equals;D__h

Local resistance is defined with:

zeta__loc&equals;&lcub;k__Rek__&delta;A1__loc_BendB__loc_BendC__locRe&gt;10000A2__loc_Bendmax3000&comma;Re&plus;A1__loc_BendB__loc_BendC__locRe10000

Correction factor C is defined with:

C__loc&equals;1

Correction factor A1 is defined with:

A1__loc_Bend&equals;&grave;MapleSim.Interpolate1D`data&comma;&theta;

(*) `MapleSim.Interpolate1D` is the function of Lookup table of 1D.

(*) data is specified with:

     - If data_source = inline, parameter table__A1_Bend.

     - If data_source = attachment, an attached file (.csv and .xls, .xlsx) is used.

     - If data_source = file, need to specify the path of file (.csv and .xls, .xlsx).

 

Correction factor A2 is defined with:

A2__loc_Bend&equals;&grave;MapleSim.Interpolate1D`data&comma;R0D0__Bend

(*) `MapleSim.Interpolate1D` is the function of Lookup table of 1D.

(*) data is specified with:

     - If data_source = inline, parameter table__A2_Bend.

     - If data_source = attachment, an attached file (.csv and .xls, .xlsx) is used.

     - If data_source = file, need to specify the path of file (.csv and .xls, .xlsx).

 

Correction factor B is defined with:

B__loc_Bend&equals;&grave;MapleSim.Interpolate1D`data&comma;R0D0__Bend

(*) `MapleSim.Interpolate1D` is the function of Lookup table of 1D.

(*) data is specified with:

     - If data_source = inline, parameter table__B_Bend.

     - If data_source = attachment, an attached file (.csv and .xls, .xlsx) is used.

     - If data_source = file, need to specify the path of file (.csv and .xls, .xlsx).

 

Correction factor k_delta (Roughness dependency) is defined with:

k__&delta;&equals;&lcub;min1.5&comma;1.0&plus;0.001roughnessD__h_actR0D0__Bend0.55min2.0&comma;max1.0&comma;&lambda;__tur_roughness&lambda;__tur_smoothR0D0__Bend&gt;0.55

 

Friction coefficient of smooth pipe for k_Re calculation is defined with:

&lambda;__tur_smooth&equals;0.251log105.74maxRe&comma;1.00.92

Friction coefficient of rough pipe for k_Re calculation is defined with  (Swamee and Jain's approximation[2]):

&lambda;__tur_roughness&equals;0.251log10roughnessD__h_act3.7&plus;5.74maxRe&comma;1.00.92

 

Correction factor k_Re (Reynolds number dependency) is defined with:

k__Re&equals;&grave;MapleSim.Interpolate1D`data&comma;Re

(*) `MapleSim.Interpolate1D` is the function of Lookup table of 1D.

(*) data is specified with:

     - If data_source = inline, parameter table__k_Re_Bend.

     - If data_source = attachment, an attached file (.csv and .xls, .xlsx) is used.

     - If data_source = file, need to specify the path of file (.csv and .xls, .xlsx).

 

Friction resistance is defined with:

zeta__fri&equals;&theta;&lambda;R0D__h_act

The friction factor of flow is calculated with:

&lambda;&equals;`HeatTransfer.Functions.lambda_Re`Re&comma;roughness&comma;D__h_act&comma;Re__CoT&comma;IF__speed&comma;Geo__act

(*) The above function `HeatTransfer.Functions.lambda_Re` is to calculated friction factor for Laminar and Turbulent flow.

     Regarding the implementation of the friction factor calculation, see the reference section below.

 

Total resistance is defined with:

zeta__act&equals;zeta__loc&plus;zeta__fri

 

Type of Resistance = Bend (Rectangular): R0D__h<3.0&comma; 0<&theta;<&pi;&comma; LD__h10

(*) Reference[1]: page.357-339.

 

Inner hydraulic diameter is defined with:

D__h_act&equals;21a__rec&plus;1b__rec

Flow area is defined with:

A__act&equals;A__rec

Geometrical coefficient for laminar flow is defined with:

Geo__act&equals;MapleSim.Interpolate1D`data&comma;b__reca__rec

(*) `MapleSim.Interpolate1D` is the function of Lookup table of 1D.

(*) data is specified with:

     - If data_source = inline, parameter table__geo_rec.

     - If data_source = attachment, an attached file (.csv and .xls, .xlsx) is used.

     - If data_source = file, need to specify the path of file (.csv and .xls, .xlsx).

 

Geometrical length for Bend to get the values from tables:

D0__bend&equals;a__rec

Local resistance is defined with:

zeta__loc&equals;&lcub;k__Rek__&delta;A1__loc_BendB__loc_BendC__locRe&gt;10000A2__loc_Bendmax3000&comma;Re&plus;A1__loc_BendB__loc_BendC__locRe10000

Correction factor C is defined with:

C__loc&equals;&grave;MapleSim.Interpolate1D`data&comma;b__reca__rec

(*) `MapleSim.Interpolate1D` is the function of Lookup table of 1D.

(*) data is specified with:

     - If data_source = inline, parameter table__C_Bend.

     - If data_source = attachment, an attached file (.csv and .xls, .xlsx) is used.

     - If data_source = file, need to specify the path of file (.csv and .xls, .xlsx).

 

Correction factor A1 is defined with:

A1__loc_Bend&equals;&grave;MapleSim.Interpolate1D`data&comma;&theta;

(*) `MapleSim.Interpolate1D` is the function of Lookup table of 1D.

(*) data is specified with:

     - If data_source = inline, parameter table__A1_Bend.

     - If data_source = attachment, an attached file (.csv and .xls, .xlsx) is used.

     - If data_source = file, need to specify the path of file (.csv and .xls, .xlsx).

 

Correction factor A2 is defined with:

A2__loc_Bend&equals;&grave;MapleSim.Interpolate1D`data&comma;R0D0__Bend

(*) `MapleSim.Interpolate1D` is the function of Lookup table of 1D.

(*) data is specified with:

     - If data_source = inline, parameter table__A2_Bend.

     - If data_source = attachment, an attached file (.csv and .xls, .xlsx) is used.

     - If data_source = file, need to specify the path of file (.csv and .xls, .xlsx).

 

Correction factor B is defined with:

B__loc_Bend&equals;&grave;MapleSim.Interpolate1D`data&comma;R0D0__Bend

(*) `MapleSim.Interpolate1D` is the function of Lookup table of 1D.

(*) data is specified with:

     - If data_source = inline, parameter table__B_Bend.

     - If data_source = attachment, an attached file (.csv and .xls, .xlsx) is used.

     - If data_source = file, need to specify the path of file (.csv and .xls, .xlsx).

 

Correction factor k_delta (Roughness dependency) is defined with:

k__&delta;&equals;&lcub;min1.5&comma;1.0&plus;0.001roughnessD__h_actR0D0__Bend0.55min2.0&comma;max1.0&comma;&lambda;__tur_roughness&lambda;__tur_smoothR0D0__Bend&gt;0.55

 

Friction coefficient of smooth pipe for k_Re calculation is defined with:

&lambda;__tur_smooth&equals;0.251log105.74maxRe&comma;1.00.92

Friction coefficient of rough pipe for k_Re calculation is defined with  (Swamee and Jain's approximation[2]):

&lambda;__tur_roughness&equals;0.251log10roughnessD__h_act3.7&plus;5.74maxRe&comma;1.00.92

 

Correction factor k_Re (Reynolds number dependency) is defined with:

k__Re&equals;&grave;MapleSim.Interpolate1D`data&comma;Re

(*) `MapleSim.Interpolate1D` is the function of Lookup table of 1D.

(*) data is specified with:

     - If data_source = inline, parameter table__k_Re_Bend.

     - If data_source = attachment, an attached file (.csv and .xls, .xlsx) is used.

     - If data_source = file, need to specify the path of file (.csv and .xls, .xlsx).

 

Friction resistance is defined with:

zeta__fri&equals;&theta;&lambda;R0D__h_act

The friction factor of flow is calculated with:

&lambda;&equals;`HeatTransfer.Functions.lambda_Re`Re&comma;roughness&comma;D__h_act&comma;Re__CoT&comma;IF__speed&comma;Geo__act

(*) The above function `HeatTransfer.Functions.lambda_Re` is to calculated friction factor for Laminar and Turbulent flow.

     Regarding the implementation of the friction factor calculation, see the reference section below.

 

Total resistance is defined with:

zeta__act&equals;zeta__loc&plus;zeta__fri

 

(Reference) Detailed implementation of Friction factor calculation

Friction factor of Laminar flow is calculated with:

&lambda;__lam&equals;Geo__act64Re

And, Turbulent flow's friction factor is defined with (Swamee and Jain's approximation[2]):

&lambda;__tur&equals;0.25logroughnessD__h_act3.7&plus;5.74Re0.92

Intermittency is defined with:

&kappa;&equals;tanhIF__speedReRe__CoT2&plus;12

So, the friction factor is calculated with:

&lambda;&equals;1&kappa;&lambda;__lam&plus;&kappa;&lambda;__tur

The following plot is Reynolds number vs Friction factor, and roughnessD__h_act&equals;0.001, IF__speed&equals;0.007, Re__CoT&equals;3500, Geo__act&equals;1.

 

The definition of Flow calculation is the following and:

Dynamics of mass = Static

Pressure difference is calculated with Darcy–Weisbach equation:

dp&equals;12zeta__act1A__act2&lcub;&rho;__adp0&rho;__bothersmflow2signmflow

Dynamics of mass = Dynamic

In theory, Mass flow rate is calculated with Darcy–Weisbach equation:

mflow&equals;2A__act2zeta__act&lcub;&rho;__adp0&rho;__bothersdpsigndp

In the Heat Transfer Library, the following equation is used to resolve difficulties of the numerical calculation:

mflow&equals;2A__act2zeta__act`HeatTransfer.Functions.regRoot2`dp&comma;dp_small&comma;&rho;__a&comma;&rho;__b&comma;true&comma;sharpness

(*) `HeatTransfer.Functions.regRoot2` is the same function as `Modelica.Fluid.Utilities.regRoot2`. To check the details of the package and view the original documentation, which includes author and copyright information, click here.

 

Definitions related to Mass flow rate and pressure:

dp&equals;`port_a.p``port_b.p`

v&equals;mflow&lcub;&rho;__adp0&rho;__bothersA__act

`port_a.mflow`&equals;mflow

`port_b.mflow`&equals;mflow

Specific enthalpy is defined with:

`port_a.hflow`&equals;inStream`port_b.hflow`

`port_b.hflow`&equals;inStream`port_a.hflow`

Density is calculated with:

&rho;__a&equals;inStream`port_a.rho`

&rho;__b&equals;inStream`port_b.rho`

If Fidelity of properties = Constant, properties &mu; and c__p and k are constants and properties at each ports are:

&mu;__a&equals;&mu;

&mu;__b&equals;&mu;

(*) Regarding the value of properties for Constant, see more in Air Settings.

If Fidelity of properties = Ideal Gas (NASA Polynomial), properties are calculated with:

&mu;__a&equals;Function__visinStream`port_a.T`

&mu;__b&equals;Function__visinStream`port_b.T`

(*) The properties are defined with NASA polynomials and coefficients, see more in Air Settings.

Port's variables are defined with:

`port_a.rho`&equals;inStream`port_b.rho`

`port_b.rho`&equals;inStream`port_a.rho`

`port_a.T`&equals;inStream`port_b.T`

`port_b.T`&equals;inStream`port_a.T`

References

[1] : Idelchik,I.E.: Handbook of hydraulic resistance. Jaico Publishing House, Mumbai, 3rd edition, 2006.

[2] : Swamee P.K., Jain A.K. (1976): Explicit equations for pipe-flow problems. Proc. ASCE, J.Hydraul. Div., 102 (HY5), pp. 657-664.

 

Variables

Symbol

Units

Description

Modelica ID

dp

Pa

Pressure difference

p

mflow

kgs

Mass flow rate

mflow

&rho;__a

kgm3

Density at port_a

rho_a

&rho;__b

kgm3

Density at port_b

rho_b

&mu;__a

Pas

Dynamic viscosity at port_a

vis_a

&mu;__b

Pas

Dynamic viscosity at port_b

vis_b

v

ms

Velocity of flow

v

Re

Reynolds number for Friction factor calculation

Re

Re__target

Targeted Reynolds number for Friction factor calculation

Re_target

&lambda;

Friction factor

lambda

zeta__loc

Local resistance

zeta_loc

zeta__fri

Friction resistance

zeta_fri

zeta__act

Actual loss coefficient

zeta_act

C__loc

Correction factor C for Elbow and Bend

C_loc

A__loc_Elbow

Correction factor A for Elbow

A_loc_Elbow

A1__loc_Bend

Correction factor A1 for Bend

A1_loc_Bend

A2__loc_Bend

Correction factor A2 for Bend

A3_loc_Bend

B__loc_Bend

Correction factor B for Bend

B_loc_Bend

k__Re

Correction factor k_Re, Reynolds number dependency

k_Re

k__&delta;

Correction factor k_delta, Roughness dependency

K_delta

&lambda;__tur_smooth

Friction coefficient of smooth pipe for k_Re calculation

lambda_tur_smooth

&lambda;__tur_roughness

Friction coefficient of rough pipe for k_Re calculation

lambda_tur_roughness

D__h_act

m

Inner hydraulic diameter used for Fluid simulation

Dh_act

A__act

m2

Flow area used for Fluid simulation

A_act

Geo__act

Geometrical coefficient used for Fluid simulation

Geo_act

D0__Bend

Geometrical length for Bend to get values from tables

D0_Bend

Connections

Name

Condition

Description

Modelica ID

port__a

 

Air Port

port_a

port__b

 

Air Port

port_b

zeta_in

if Use zeta as input = true

Resistance coefficient input

zeta_in

Parameters

Symbol

Default

Units

Description

Modelica ID

Airsimulationsettings 

AirSettings1

Specify a component of Air simulation settings

Settings

Type ofResistance

General

Select pipe type

 - General

 - Elbow with sharp corner (Circular)

 - Elbow with sharp corner (Rectangular)

 - Bend (Circular)

 - Bend (Rectangular)

TypeOfResistance

D__h

0.1

m

Internal hydraulic diameter if Type of Resistance is General or Elbow with sharp corner (Circular) or Bend (Circular).

Dh

a__rec

0.2

m

Horizontal length if Type of Resistance = Elbow with sharp corner (Rectangular) or Bend (Rectangular).

a_rec

b__rec

0.1

m

Vertical length if Type of Resistance = Elbow with sharp corner (Rectangular) or Bend (Rectangular).

b_rec

A__cir

14Pi__D__h2

m2

Flow area if Type of Resistance is General or Elbow with sharp corner (Circular) or Bend (Circular).

A_cir

A__rec

a__recb__rec

m2

Flow area if Type of Resistance = Elbow with sharp corner (Rectangular) or Bend (Rectangular).

A_rec

R0

0.1

m

Radius of Neutral axis.

R0

&theta;

30180Pi

rad

Angle of elbow/bend.

theta

roughness

0.000025

m

Absolute roughness of pipe, with a default for a smooth steel pipe

roughness

Use &zeta; as input

false

If true, use input for Resistance coefficient only if Type of Resistance is General.

use_in_zeta

zeta

0.15

Resistance coefficient only if Type of Resistance is General and Use zeta as input = true

zeta

datasource__rec

inline

-

See Data Source Options section above.

DSM_geo_rec

table__rec

01.50.11.3230.21.1920.31.0940.41.0230.50.97160.60.93600.70.91200.80.89830.90.89091.00.8887

Geometrical coefficient for Rectangular pipe, if data source__rec = inline.

[1] : b_rec / a_rec

[2] : Geometrical coefficient

table_geo_rec

data__rec

2

-

Geometrical coefficient for Rectangular pipe, if data source__rec =file or attachment. You can specify data by using an attached file or specifying the path of file (.csv and .xls, .xlsx)

data_geo_rec

columns__rec

2

-

Determines which columns of the data table will be used to interpolate.

For example, in an Excel spreadsheet, column A corresponds with 1, column B corresponds with 2, and so on.

columns_geo_rec

skip rows__rec

0

-

Number of rows that are skipped from the top of the data table.

skiprows_geo_rec

smoothness__rec

Table points are linearly interpolated

-

Determines whether the data points will be interpolated linearly or with a cubic spline.

smoothness_geo_rec

datasource__C_Elbow

inline

-

See Data Source Options section above.

DSM_C_Elbow

table__C_Elbow

0.251.100.501.070.751.041.001.001.500.951.000.903.000.834.000.785.000.756.000.727.000.718.000.70

Correction factor C for Elbow, if data source__C_Elbow = inline.

[1] : b_rec / a_rec

[2] : Correction factor C

table_C_Elbow

data__C_Elbow

2

-

Geometrical coefficient for Rectangular pipe, if data source__C_Elbow =file or attachment. You can specify data by using an attached file or specifying the path of file (.csv and .xls, .xlsx)

data_C_Elbow

columns__C_Elbow

2

-

Determines which columns of the data table will be used to interpolate.

For example, in an Excel spreadsheet, column A corresponds with 1, column B corresponds with 2, and so on.

columns_C_Elbow

skiprows__C_Elbow

0

-

Number of rows that are skipped from the top of the data table.

skiprows_C_Elbow

smoothness__C_Elbow__

Table points are linearly interpolated

-

Determines whether the data points will be interpolated linearly or with a cubic spline.

smoothness_C_Elbow

datasource__A_Elbow

inline

-

See Data Source Options section above.

DSM_A_Elbow

table__A_Elbow

02.5020180Pi2.5030180Pi2.2245180Pi2.8760180Pi1.5075180Pi1.2890180Pi1.2110180Pi1.2130180Pi1.250180Pi1.2Pi1.2

Correction factor A for Elbow, if data source__A_Elbow = inline.

[1] : theta[rad]

[2] : Correction factor A

table_A_Elbow

data__A_Elbow

2

-

Geometrical coefficient for Rectangular pipe, if data source__A_Elbow =file or attachment. You can specify data by using an attached file or specifying the path of file (.csv and .xls, .xlsx)

data_A_Elbow

columns__A_Elbow

2

-

Determines which columns of the data table will be used to interpolate.

For example, in an Excel spreadsheet, column A corresponds with 1, column B corresponds with 2, and so on.

columns_A_Elbow

skiprows__A_Elbow

0

-

Number of rows that are skipped from the top of the data table.

skiprows_A_Elbow

smoothness__A_Elbow__

Table points are linearly interpolated

-

Determines whether the data points will be interpolated linearly or with a cubic spline.

smoothness_A_Elbow

datasource__k_Re_Elbow

inline

-

See Data Source Options section above.

DSM_k_Re_Elbow

table__k_Re_Elbow

100001.4140001.33200001.26300001.19400001.14600001.09800001.061000001.041400001.002000001.00

Correction factor k_Re for Elbow, if data source__k_Re_Elbow = inline.

[1] : Reynolds number

[2] : Correction factor k_Re

table_k_Re_Elbow

data__k_Re_Elbow

2

-

Geometrical coefficient for Rectangular pipe, if data source__k_Re_Elbow =file or attachment. You can specify data by using an attached file or specifying the path of file (.csv and .xls, .xlsx)

data_k_Re_Elbow

columns__k_Re_Elbow

2

-

Determines which columns of the data table will be used to interpolate.

For example, in an Excel spreadsheet, column A corresponds with 1, column B corresponds with 2, and so on.

columns_k_Re_Elbow

skiprows__k_Re_Elbow

0

-

Number of rows that are skipped from the top of the data table.

skiprows_k_Re_Elbow

smoothness__k_Re_Elbow__

Table points are linearly interpolated

-

Determines whether the data points will be interpolated linearly or with a cubic spline.

smoothness_k_Re_Elbow

datasource__C_Bend

inline

-

See Data Source Options section above.

DSM_C_Bend

table__C_Bend

0.251.300.501.170.751.091.001.001.500.901.000.853.000.854.000.905.000.956.000.987.001.008.001.00

Correction factor C for Bend, if data source__C_Bend = inline.

[1] : b_rec / a_rec

[2] : Correction factor C

table_C_Bend

data__C_Bend

2

-

Geometrical coefficient for Rectangular pipe, if data source__C_Bend =file or attachment. You can specify data by using an attached file or specifying the path of file (.csv and .xls, .xlsx)

data_C_Bend

columns__C_Bend

2

-

Determines which columns of the data table will be used to interpolate.

For example, in an Excel spreadsheet, column A corresponds with 1, column B corresponds with 2, and so on.

columns_C_Bend

skiprows__C_Bend

0

-

Number of rows that are skipped from the top of the data table.

skiprows_C_Bend

smoothness__C_Bend__

Table points are linearly interpolated

-

Determines whether the data points will be interpolated linearly or with a cubic spline.

smoothness_C_Bend

datasource__A1_Bend

inline

-

See Data Source Options section above.

DSM_A1_Bend

table__A1_Bend

0020180Pi0.3130180Pi0.4545180Pi0.6060180Pi0.7875180Pi0.9090180Pi1.00110180Pi1.13130180Pi1.2050180Pi1.28Pi1.40

Correction factor A1 for Bend, if data source__A1_Bend = inline.

[1] : theta[rad]

[2] : Correction factor A1

table_A1_Bend

data__A1_Bend

2

-

Geometrical coefficient for Rectangular pipe, if data source__A1_Bend =file or attachment. You can specify data by using an attached file or specifying the path of file (.csv and .xls, .xlsx)

data_A1_Bend

columns__A1_Bend

2

-

Determines which columns of the data table will be used to interpolate.

For example, in an Excel spreadsheet, column A corresponds with 1, column B corresponds with 2, and so on.

columns_A_1Bend

skiprows__A1_Bend

0

-

Number of rows that are skipped from the top of the data table.

skiprows_A1_Bend

smoothness__A1_Bend__

Table points are linearly interpolated

-

Determines whether the data points will be interpolated linearly or with a cubic spline.

smoothness_A1_Bend

datasource__A2_Bend

inline

-

See Data Source Options section above.

DSM_A2_Bend

table__A2_Bend

0.5000040000.5500040000.5500160000.7000060000.7000140001.0000020001.0000110002.0000010002.000016002.50000600

Correction factor A2 for Bend, if data source__A2_Bend = inline.

[1] : R0 / Dh

[2] : Correction factor A2

table_A2_Bend

data__A2_Bend

2

-

Geometrical coefficient for Rectangular pipe, if data source__A2_Bend =file or attachment. You can specify data by using an attached file or specifying the path of file (.csv and .xls, .xlsx)

data_A2_Bend

columns__A2_Bend

2

-

Determines which columns of the data table will be used to interpolate.

For example, in an Excel spreadsheet, column A corresponds with 1, column B corresponds with 2, and so on.

columns_A2_Bend

skiprows__A2_Bend

0

-

Number of rows that are skipped from the top of the data table.

skiprows_A2_Bend

smoothness__A2_Bend__

Table points are linearly interpolated

-

Determines whether the data points will be interpolated linearly or with a cubic spline.

smoothness_A2_Bend

datasource__B_Bend

inline

-

See Data Source Options section above.

DSM_B_Bend

table__B_Bend

0.501.180.600.770.700.510.800.370.900.281.000.211.250.191.500.172.000.154.000.116.000.098.000.0710.000.07

Correction factor B for Bend, if data source__B_Bend = inline.

[1] : R0 / Dh

[2] : Correction factor B

table_B_Bend

data__B_Bend

2

-

Geometrical coefficient for Rectangular pipe, if data source__B_Bend =file or attachment. You can specify data by using an attached file or specifying the path of file (.csv and .xls, .xlsx)

data_B_Bend

columns__B_Bend

2

-

Determines which columns of the data table will be used to interpolate.

For example, in an Excel spreadsheet, column A corresponds with 1, column B corresponds with 2, and so on.

columns_B_Bend

skiprows__B_Bend

0

-

Number of rows that are skipped from the top of the data table.

skiprows_B_Bend

smoothness__B_Bend__

Table points are linearly interpolated

-

Determines whether the data points will be interpolated linearly or with a cubic spline.

smoothness_B_Bend

datasource__k_Re_Elbow

inline

-

See Data Source Options section above.

DSM_k_Re_Elbow

table__k_Re_Elbow

0.0000099910001400200030004000600080001000014000200003000040000400010.500001.401.401.331.261.191.141.091.061.041.001.001.001.001.000.550001.401.401.331.261.191.141.091.061.041.001.001.001.001.000.550011.671.671.581.491.401.341.261.211.191.171.141.061.001.000.700001.671.671.581.491.401.341.261.211.191.171.141.061.001.000.700012.002.001.891.771.641.561.461.381.301.151.021.001.001.000.700022.002.001.891.771.641.561.461.381.301.151.021.001.001.00

 

Correction factor k_Re for Elbow, if data source__k_Re_Elbow = inline.

[u:column] :R0 / Dh

[v:row] : Reynolds number

[value] : Correction factor k_Re

table_k_Re_Elbow

data__k_Re_Elbow

-

Geometrical coefficient for Rectangular pipe, if data source__k_Re_Elbow =file or attachment. You can specify data by using an attached file or specifying the path of file (.csv and .xls, .xlsx)

data_k_Re_Elbow

columns__k_Re_Elbow

2

-

Determines which columns of the data table will be used to interpolate.

For example, in an Excel spreadsheet, column A corresponds with 1, column B corresponds with 2, and so on.

columns_k_Re_Elbow

skiprows__k_Re_Elbow

0

-

Number of rows that are skipped from the top of the data table.

skiprows_k_Re_Elbow

smoothness__k_Re_Elbow__

Table points are linearly interpolated

-

Determines whether the data points will be interpolated linearly or with a cubic spline.

smoothness_k_Re_Elbow

dp__small

0.1

Pa

Approximation of function for |dp| <= dp_small

dp_small

sharpness

1.0

Sharpness of approximation for sqrt(dp) and sqrt(rho * dp)

sharpness

T__const

0.001

s

Time constant for Reynolds number calculation

T_const

Re__CoT

3500

Reynolds number of the center of Transition zone

Re_CoT

Spread ofIntermittencyfactor

0.007

Changing rate of Intermittency factor

IF_spread

See Also

Heat Transfer Library Overview

Air Overview

Air Shapes Overview