Several methods to derive circuit equations - Maple Application Center
Application Center Applications Several methods to derive circuit equations

Several methods to derive circuit equations

Author
: ChengQing Lin
Engineering software solutions from Maplesoft
This Application runs in Maple Flow. Don't have Maple Flow? No problem!
 Try Maple Flow free for 15 days!

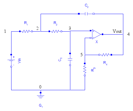
This program introduces various optional methods for deriving the equation of the Sallen-Key low-pass filter using Maplesoft products.

This document will introduce several methods for modeling circuit equations:

1. Impedance-based circuit equation modeling using Kirchhoff's laws.
2. Differential equation-based circuit equation modeling using Kirchhoff's laws.
   
Two methods for deriving the transfer function from the system of differential equations:
   2.1 Solving using Laplace transform.  
   2.2 Solving using built-in DynamicSystem functions.  

3. Modeling and extracting differential-algebraic equations in MapleSim.  
4. Modeling and extracting equations using the Syrup library.

Application Details

Publish Date: December 11, 2024
Created In: Maple 2024 , Maple Flow 2024 , MapleSim 2024
Language: English

Tags

wcca

More Like This

Worst-Case Circuit Analysis: Root Square Sum Analysis (RSSA)
1
Sensor interface design with Worst case analysis - Volume 1
Sensor interface design with Worst case analysis - Volume 2
Sensitivity Analysis of a Sallen-Key Low-Pass Filter
Extreme Value Analysis of a Voltage Divider