Wind-Unwind-Control of an R2R process – Multibody, Multi-Domain Physical Model in MapleSim – Maplesoft

Wind-Unwind-Control of an R2R process

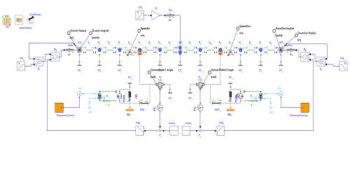
This model demonstrates wind and unwind tension control applied through the usage of dancer rollers.
The dancer rollers are controlled by pneumatic cylinders that have a constant supply pressure. A PID controller is used to control the wind and unwind speed of the respective drums from the positional feedback of the dancer rollers. By controlling the wind/unwind speed, the dancer rollers apply tension to the web to maintain a reference or base position.
This model was created with MapleSim 2023.0
This model uses the MapleSim Web Handling Library
Close

Download this MapleSim model

This model requires MapleSim. If you do not have MapleSim, contact us for a live demonstration.

  • How this model works and how it was developed
  • How this model can be modified to fit your requirements
  • How we can assist you in developing your own models to solve your engineering design problems

Let Maplesoft Engineering Solutions provide you with the expertise and tools you need to meet your project requirements quickly and effectively. Ask our experts today!

Contact us today


If you have MapleSim, download the model here:

Download the Model

Close

Request an S-Function

MapleSim Models can be readily exported as royalty-free S-functions. To request the S-function corresponding to this model, please fill in the form below.


Model: Wind-Unwind-Control of an R2R process
Industry:

Submitting form...

Thank you for requesting the S-Function. Your request has been received and you can expect to hear from us shortly. Close Window
Oops! There was a problem. Try again later Close Window
Model Images
  • Model structure Model structure of a web handling model
  • 3DView 3D View of the Web Handling Machine
  • Results Simulation results
  • Results 2 Simulation results
MapleSim Video
Video not available in this browser.