DC Motor with Custom Controller – Multibody, Multi-Domain Physical Model in MapleSim – Maplesoft

DC Motor with Custom Controller

Created with the Control Design Toolbox, this example shows how the velocity of a DC Motor can be controlled by a custom PID controller. The model is linearized and loaded into a PID Tuning template which designs a custom controller for the system.
Close

Download this MapleSim model

This model requires MapleSim. If you do not have MapleSim, contact us for a live demonstration.

  • How this model works and how it was developed
  • How this model can be modified to fit your requirements
  • How we can assist you in developing your own models to solve your engineering design problems

Let Maplesoft Engineering Solutions provide you with the expertise and tools you need to meet your project requirements quickly and effectively. Ask our experts today!

Contact us today


If you have MapleSim, download the model here:

Download the Model

Close

Request an S-Function

MapleSim Models can be readily exported as royalty-free S-functions. To request the S-function corresponding to this model, please fill in the form below.


Model: DC Motor with Custom Controller
Industry:

Submitting form...

Thank you for requesting the S-Function. Your request has been received and you can expect to hear from us shortly. Close Window
Oops! There was a problem. Try again later Close Window
Model Images
  • subsystem View of the DC motor subsystem.
  • plot Simulation results
  • Analysis Nyquist, Bode, and zero pole plots of the open and closed loop system.
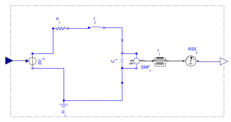
  • model Model diagram of a DC motor with custom PID controller.