Maple Professional
Maple Academic
Maple Student Edition
Maple Personal Edition
Maple Player
Maple Player for iPad
MapleSim Professional
MapleSim Academic
Maple T.A. - Testing & Assessment
Maple T.A. MAA Placement Test Suite
Möbius - Online Courseware
Machine Design / Industrial Automation
Aerospace
Vehicle Engineering
Robotics
Power Industries
System Simulation and Analysis
Model development for HIL
Plant Modeling for Control Design
Robotics/Motion Control/Mechatronics
Other Application Areas
Mathematics Education
Engineering Education
High Schools & Two-Year Colleges
Testing & Assessment
Students
Financial Modeling
Operations Research
High Performance Computing
Physics
Live Webinars
Recorded Webinars
Upcoming Events
MaplePrimes
Maplesoft Blog
Maplesoft Membership
Maple Ambassador Program
MapleCloud
Technical Whitepapers
E-Mail Newsletters
Maple Books
Math Matters
Application Center
MapleSim Model Gallery
User Case Studies
Exploring Engineering Fundamentals
Teaching Concepts with Maple
Maplesoft Welcome Center
Teacher Resource Center
Student Help Center
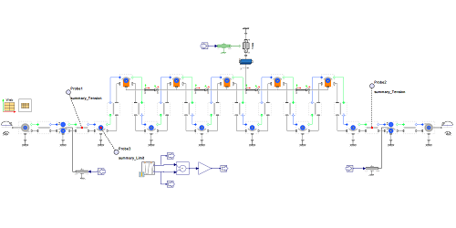
MapleSim contains many models that are ready to use, and provide great starting points for your projects. This model is one of them, and is available from the Examples menu.
Don't Have MapleSim? No Problem.
You can try MapleSim for free for 15 days!
MapleSim Free Trial
MapleSim Models can be readily exported as royalty-free S-functions. To request the S-function corresponding to this model, please fill in the form below.