Brushless Permanent Magnet DC Motor: Input Voltage Speed Control – Multibody, Multi-Domain Physical Model in MapleSim – Maplesoft

Brushless Permanent Magnet DC Motor: Input Voltage Speed Control

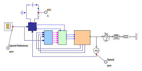
Using the Custom Component, a Brushless Permanent Magnet DC Motor is modeled and driven with an inverter combined with switching logic. Additionally, Hall Effect sensors have been connected to the motor providing information on shaft rotation.

This model controls the input voltage to the inverter to provide the speed control, allowing the motor shaft speed to track the desired input.

The characteristics of the trapezoidal EMF and the Hall Effect sensors were created by the app "Data Generation". It generates the file "mydata.csv" with the profiles for the rotation range of 0 to 720°, and combined with the parametric brushless motor component allows the motor characteristics to be modified easily.

This model was created with MapleSim 2022.2
Close

Download this MapleSim model

This model requires MapleSim. If you do not have MapleSim, contact us for a live demonstration.

  • How this model works and how it was developed
  • How this model can be modified to fit your requirements
  • How we can assist you in developing your own models to solve your engineering design problems

Let Maplesoft Engineering Solutions provide you with the expertise and tools you need to meet your project requirements quickly and effectively. Ask our experts today!

Contact us today


If you have MapleSim, download the model here:

Download the Model

Close

Request an S-Function

MapleSim Models can be readily exported as royalty-free S-functions. To request the S-function corresponding to this model, please fill in the form below.


Model: Brushless Permanent Magnet DC Motor: Input Voltage Speed Control
Industry:

Submitting form...

Thank you for requesting the S-Function. Your request has been received and you can expect to hear from us shortly. Close Window
Oops! There was a problem. Try again later Close Window
Model Images
  • model Model schematic of the system
  • results Simulation results
  • BLDC motor (Custom Component) BLDC motor (Custom Component)