Forklift using Hydraulic Cylinder – Multibody, Multi-Domain Physical Model in MapleSim – Maplesoft

Forklift using Hydraulic Cylinder

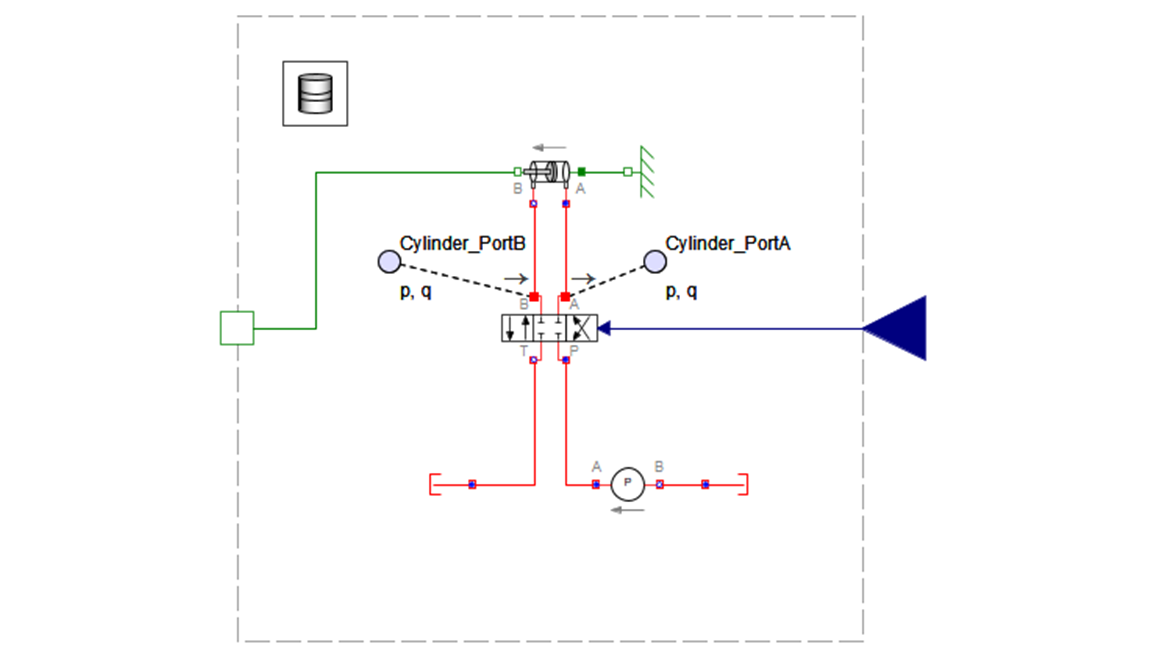
This model uses MapleSim's Hydraulics library as an example of a lift control system that is connected with the motion of a mobile forklift system. The forklift can be observed moving forward with the forks being lifted and lowered, similar to the desired motion of offloading or loading a pallet. PI controllers are used to control the forklift wheel speed as well as the hydraulic cylinder position that is connected within the Multibody domain components. The Multibody, Tire, and Hydraulics libraries are combined in this mobile MapleSim model.

This model uses the MapleSim Tire Component Library
Close

Download this MapleSim model

This model requires MapleSim. If you do not have MapleSim, contact us for a live demonstration.

  • How this model works and how it was developed
  • How this model can be modified to fit your requirements
  • How we can assist you in developing your own models to solve your engineering design problems

Let Maplesoft Engineering Solutions provide you with the expertise and tools you need to meet your project requirements quickly and effectively. Ask our experts today!

Contact us today


If you have MapleSim, download the model here:

Download the Model

Close

Request an S-Function

MapleSim Models can be readily exported as royalty-free S-functions. To request the S-function corresponding to this model, please fill in the form below.


Model: Forklift using Hydraulic Cylinder
Industry:

Submitting form...

Thank you for requesting the S-Function. Your request has been received and you can expect to hear from us shortly. Close Window
Oops! There was a problem. Try again later Close Window
Model Images
  • Model The model schematic of the system
  • Subsystem Subsystem modeling the hydraulic portion of the system
  • CylinderResults Simulation results for the desired and actual position of the cylinder
  • WheelSpeedResults Simulation results for the desired and actual wheel speed
  • 3dResults Visualization of the simulation results
MapleSim Video
Video not available in this browser.